Transformator Arus CT
Resin Cast Listrik Ct Transformer Saiki
  • Resin Cast Listrik Ct Transformer SaikiResin Cast Listrik Ct Transformer Saiki
  • Resin Cast Listrik Ct Transformer SaikiResin Cast Listrik Ct Transformer Saiki

Resin Cast Listrik Ct Transformer Saiki

Wenzhou XiFa Electric Power Equipment Co., Ltd minangka pabrik profesional kanggo ngasilake trafo arus listrik ct listrik sing digunakake ing switchgear listrik 10 kv nganti 35 kv. Ing Wenzhou XiFa, tim produksi casting resin epoxy ing lingkungan vakum kanggo mbusak umpluk ing sisih trafo saiki lan nyegah discharge sebagean ing lumahing. Kangge, resin cast electrical ct transformer saiki dirancang minangka struktur jampel multi lapisan kanggo entuk kinerja sing luwih apik ing resistance voltase lan stabilitas long term.

Transformator arus ct listrik resin yaiku resin epoksi, vakum, vakum, unit jinis pos sing dirancang kanggo sistem daya tingkat voltase 10kv kanthi frekuensi dirating 50 Hz. Utamane digunakake kanggo pangukuran saiki, pangukuran energi, lan relaying protèktif.

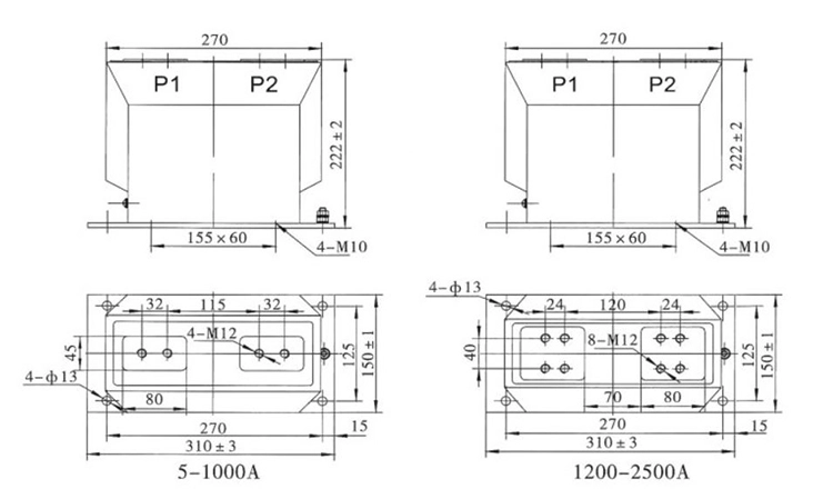
Transformator saiki ct listrik resin nganggo proses casting resin epoksi sing ditutup kanthi lengkap, ing endi inti digawe saka bahan magnetik kelas dhuwur, lan gulungan primer lan sekunder bebarengan karo inti dipasang ing resin. Konstruksi iki nyedhiyakake kinerja sing apik kanggo insulasi, tahan kelembapan, lan tahan polusi. Lumahing resin cast electrical ct trafo saiki ora mbutuhake lapisan tambahan, lan trafo saiki bisa diinstal ing sawetara posisi.

Range kalebu kelas pangukuran, kayata 0.2S lan 0.5S, lan kelas perlindungan, kayata 10P10 lan 10P20. A desain rasio multi kasedhiya ing resin cast electrical ct trafo saiki, kanggo nggawe iku uga cocog kanggo digunakake ing panel electrical klambi logam.

Resin Cast Electrical Ct Current TransformerResin Cast Electrical Ct Current Transformer

Spesifikasi Teknis:

Jinis Arus Nilai Utama (A) Kelas Akurasi Kelas Akurasi lan Output Rated cosΦ=0.8 Arus termal Wektu Shory (kA/S) Rated Dynamic Current (kA)
0.2 (s) 0,5 (s) 10P10 10P15 10P20
LZZBJ9-10 5-150 0.2s/0.5 0.2s/10P 0.2/10P 0.5s/10P 0.5/10P 10 10 15 15 10 100I1n 250I1n
200-300 31.5 80
400-500 45 112
600-1000 63 130
1200-1500 80 160
2000-2500 100 180

Resin Cast Electrical Ct Current Transformer

FAQ produk:

P: Parameter teknis apa sing kudu dipriksa nalika milih trafo arus ct listrik resin?

A: paramèter tombol ing ngisor iki kudu dipriksa nalika milih:

1.Kelas akurasi: Kanggo pangukuran / pangukuran (contone 0.2s utawa 0.5) lan tujuan proteksi (contone. 10P10, 5P10, etc.).

2.Rated utami saiki lan secondary saiki (rasio transformasi).

3.Short wektu termal saiki (Ith) lan wektu cendhak kapasitas withstanding saiki (kanggo kahanan fault).

4.Tingkat insulasi (tahan voltase, rating voltase impuls, lsp).

5. Toleransi lingkungan: Kisaran suhu, ketinggian, kelembapan, tingkat polusi.

6. Beban: VA mbukak secondary kudu drive tanpa akurasi degrading.

P: Ing lingkungan utawa aplikasi apa sing cocog karo trafo arus ct listrik resin?

A: lingkungan utawa aplikasi ing ngisor iki cocog kanggo trafo saiki ct listrik resin:

1. Switchgear njero ruangan, ing ngendi papan diwatesi lan insulasi penting.

2. Ing lingkungan atos utawa polusi (bledug, Kelembapan, bahan kimia) ngendi mbukak bagean utawa lenga bisa degrade.

3. Ing sirkuit pangukuran lan proteksi sing mbutuhake pangukuran sing stabil lan akurat sajrone wektu sing suwe.

4.Applications ngendi pangopènan kurang lan dhuwur linuwih penting.

Hot Tags: Pemasok Transformator Arus Resin Cast, Produsen Transformator CT Listrik, Grosir Trafo CT Kustom
Kategori sing gegandhengan
Kirim Pitakonan
Info kontak

Kanggo njaluk kutipan ASAP

XiFa-panyedhiya peralatan listrik dipercaya
X
Kita nggunakake cookie kanggo menehi pengalaman browsing sing luwih apik, nganalisa lalu lintas situs lan nggawe konten pribadi. Kanthi nggunakake situs iki, sampeyan setuju kanggo nggunakake cookie. Kebijakan Privasi
nolak Nampa